Raspoloživo odmah

Najniža cijena po kojoj je proizvod prodan u zadnjih 30 dana: 213,53 €
Trenutna akcija traje do: 20.04.2026 00:00 .

AS-PL Generator

Sniženo:
216,81 €
Cijena:
328,50 €
  • RASPOLOŽIVOST: ODMAH
  • SKU: ASP-A0342
  • BRAND: AS-PL

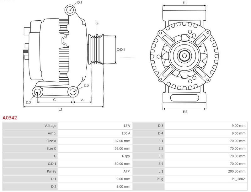
Napon [V]: 12

Struja punjenja alternatora [A]: 150

Remenice: s jednosmjernom remenicom

Duljina 1 [mm]: 32,00

Duljina 3 [mm]: 56,00

OE Brojevi

Dostava i povrat

Troškovi dostave su besplatni za sve narudžbe iznad 80,00 € , kao i za akcijske artikle s naznačenom besplatnom dostavom. Sve pakete šaljemo na Vašu adresu. Od naših distributera dobiti ćete SMS ili email s informacijama o stanju pošiljke, kao i napredne mogućnosti o promjeni adrese ili vremena isporuke. Te ćete moći u realnom vremenu online pratiti vaš paket.

Za sve narudžbe ispod 80,00 € dostava iznosi 5,50 €.

U slučaju povrata ili reklamacije molimo Vas pročitajte uvjete POVRATA i REKLAMACIJA.
KATEGORIJE PROIZVODA