DISK KOČIONI
Vožnja automobilom je često puna iznenađenja i naglih zaustavljanja. Najbolji način pripreme za neočekivane situacije je da održavate vaše kočnice u vrhunskom operativnom stanju. Sposobnost efikasnog i naglog kočenja može praviti razliku između života i smrti, a neistrošeni i ispravni kočioni diskovi uvelike utječu na tu sposobnost. Nama je vaša sigurnost bitna i iz tog razloga biramo kočione diskove vodećih europskih proizvođača i brendova, karakteristika istih ili boljih od onih iz prve ugradnje, kao što su: Brembo, TRW, Comline,…
Cijena je izražena za jedan komad, a za jednu osovinu vam obavezno trebaju dva komada!
Dodatni nazivi: kočioni disk, kočnički disk, diskovi, kočnice, bremzšajbe, bremze
Odabrano vozilo
Prikazuju se rezultati za odabrano vozilo
Disk kočioni
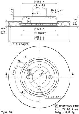
Kočioni disk
- Proizvođač:FEBI BILSTEIN
- Broj rupa naplatka:4
- Strana ugradnje:Prednja osovina
- Vrsta kočnih diskova:Unutarnja ventilacija
- Debljina kočnog diska [mm]:22
- Proizvođač:FEBI BILSTEIN
- Broj rupa naplatka:4
- Strana ugradnje:Prednja osovina
- Vrsta kočnih diskova:Unutarnja ventilacija
- Debljina kočnog diska [mm]:22
- Vanjski promjer [mm]:280
- Promjer centriranja [mm]:64
- Ø kruga rupe [mm]:100
- Površina:prevučen
- Broj provrta za pričvršćivanje:1
Disk kočioni
- Proizvođač:MOTAQUIP
- Visina [mm]:44,2
- Vrsta kočnih diskova:Puno
- Debljina kočnog diska [mm]:10
- Vanjski promjer [mm]:259
- Proizvođač:MOTAQUIP
- Visina [mm]:44,2
- Vrsta kočnih diskova:Puno
- Debljina kočnog diska [mm]:10
- Vanjski promjer [mm]:259
- Broj rupa:4
- Promjer centriranja [mm]:64
- Površina:prevučen
- Ø provrta svornjaka kotača [mm]:14,7
Disk kočioni
Kočioni disk
- Proizvođač:A.B.S.
- Broj rupa naplatka:4
- Visina [mm]:44
- Vrsta kočnih diskova:Puno
- Debljina kočnog diska [mm]:10
- Proizvođač:A.B.S.
- Broj rupa naplatka:4
- Visina [mm]:44
- Vrsta kočnih diskova:Puno
- Debljina kočnog diska [mm]:10
- Vanjski promjer [mm]:259
- Ø kruga rupe [mm]:100
- Promjer glavčine [mm]:64
Disk kočioni
- Proizvođač:OPTIMAL
- Strana ugradnje:Stražnja osovina
- Visina [mm]:44
- Vrsta kočnih diskova:Puno
- Debljina kočnog diska [mm]:10
- Proizvođač:OPTIMAL
- Strana ugradnje:Stražnja osovina
- Visina [mm]:44
- Vrsta kočnih diskova:Puno
- Debljina kočnog diska [mm]:10
- Vanjski promjer [mm]:259
- Promjer centriranja [mm]:64
- Površina:prevučen
Disk kočioni
Kočioni disk
- Proizvođač:A.B.S.
- Broj rupa naplatka:4
- Visina [mm]:44
- Vrsta kočnih diskova:prozračen
- Debljina kočnog diska [mm]:22
- Proizvođač:A.B.S.
- Broj rupa naplatka:4
- Visina [mm]:44
- Vrsta kočnih diskova:prozračen
- Debljina kočnog diska [mm]:22
- Vanjski promjer [mm]:280
- Ø kruga rupe [mm]:100
- Promjer glavčine [mm]:64,1
Disk kočioni
- Proizvođač:LPR
- Visina [mm]:44,2
- Vrsta kočnih diskova:Unutarnja ventilacija
- Debljina kočnog diska [mm]:22
- Vanjski promjer [mm]:280
- Proizvođač:LPR
- Visina [mm]:44,2
- Vrsta kočnih diskova:Unutarnja ventilacija
- Debljina kočnog diska [mm]:22
- Vanjski promjer [mm]:280
- Broj rupa:4
- Promjer centriranja [mm]:64,1
Disk kočioni
Kočioni disk
- Proizvođač:BOSCH
- Visina [mm]:43,8
- Vrsta kočnih diskova:Puno
- Debljina kočnog diska [mm]:10
- Vanjski promjer [mm]:258,7
- Proizvođač:BOSCH
- Visina [mm]:43,8
- Vrsta kočnih diskova:Puno
- Debljina kočnog diska [mm]:10
- Vanjski promjer [mm]:258,7
- Broj rupa:4
- Promjer centriranja [mm]:64,2
- Ø kruga rupe [mm]:100
- Površina:prevučen
Disk kočioni
- Proizvođač:ATE
- Ispitni znak:E1 90R-02C0165/0828
- Vrsta kočnih diskova:Puno
- Debljina kočnog diska [mm]:10,0
- Vanjski promjer [mm]:259,0
- Proizvođač:ATE
- Ispitni znak:E1 90R-02C0165/0828
- Vrsta kočnih diskova:Puno
- Debljina kočnog diska [mm]:10,0
- Vanjski promjer [mm]:259,0
- Broj rupa:4
- Površina:prevučen
- Postoji MAPP kôd:
Disk kočioni
- Proizvođač:ZIMMERMANN
- Broj rupa naplatka:4
- Ispitni znak:ECE R90 APPROVED
- Visina [mm]:44
- Vrsta kočnih diskova:Puno
- Proizvođač:ZIMMERMANN
- Broj rupa naplatka:4
- Ispitni znak:ECE R90 APPROVED
- Visina [mm]:44
- Vrsta kočnih diskova:Puno
- Debljina kočnog diska [mm]:10
- Obrada:visoko karboniziran
- Vanjski promjer [mm]:259
- Promjer centriranja [mm]:64
- Ø kruga rupe [mm]:100
- Površina:prevučen
Disk kočioni
Kočioni disk
- Proizvođač:BOSCH
- Visina [mm]:44,1
- Vrsta kočnih diskova:prozračen
- Debljina kočnog diska [mm]:22
- Obrada:visoko karboniziran
- Proizvođač:BOSCH
- Visina [mm]:44,1
- Vrsta kočnih diskova:prozračen
- Debljina kočnog diska [mm]:22
- Obrada:visoko karboniziran
- Vanjski promjer [mm]:280
- Broj rupa:4
- Promjer centriranja [mm]:64,15
- Ø kruga rupe [mm]:100
- Površina:prevučen
- Dopunski artikl/dopunska informacija 2:s vijcima
Disk kočioni
- Proizvođač:TRW
- Ispitni znak:E1 90R 02 C0176/0003
- Visina [mm]:44,2
- Vrsta kočnih diskova:prozračen
- Debljina kočnog diska [mm]:22
- Proizvođač:TRW
- Ispitni znak:E1 90R 02 C0176/0003
- Visina [mm]:44,2
- Vrsta kočnih diskova:prozračen
- Debljina kočnog diska [mm]:22
- Boja:crna
- Vanjski promjer [mm]:280
- Broj rupa:4
- Promjer centriranja [mm]:64,15
- Ø kruga rupe [mm]:100
- Površina:lakirano
Disk kočioni
- Proizvođač:ZIMMERMANN
- Broj rupa naplatka:4
- Ispitni znak:ECE R90 APPROVED
- Visina [mm]:44
- Vrsta kočnih diskova:Unutarnja ventilacija
- Proizvođač:ZIMMERMANN
- Broj rupa naplatka:4
- Ispitni znak:ECE R90 APPROVED
- Visina [mm]:44
- Vrsta kočnih diskova:Unutarnja ventilacija
- Debljina kočnog diska [mm]:22
- Obrada:visoko karboniziran
- Vanjski promjer [mm]:280
- Promjer centriranja [mm]:64
- Ø kruga rupe [mm]:100
- Površina:prevučen
Disk kočioni
- Proizvođač:TEXTAR
- Visina [mm]:44,1
- Vrsta kočnih diskova:Unutarnja ventilacija
- Debljina kočnog diska [mm]:22
- Obrada:visoko karboniziran
- Proizvođač:TEXTAR
- Visina [mm]:44,1
- Vrsta kočnih diskova:Unutarnja ventilacija
- Debljina kočnog diska [mm]:22
- Obrada:visoko karboniziran
- Vanjski promjer [mm]:280
- Dopunski artikl/dopunska informacija 2:bez glavčine kotača, bez svornjaka za pričvršćenje kotača
Disk kočioni
- Proizvođač:BREMBO
- Visina [mm]:44
- Vrsta kočnih diskova:Unutarnja ventilacija, S prorezom/perforirano
- Debljina kočnog diska [mm]:22
- Vanjski promjer [mm]:294
- Proizvođač:BREMBO
- Visina [mm]:44
- Vrsta kočnih diskova:Unutarnja ventilacija, S prorezom/perforirano
- Debljina kočnog diska [mm]:22
- Vanjski promjer [mm]:294
- Broj rupa:4
- Promjer centriranja [mm]:64
- Dopunski artikl/dopunska informacija 2:za naknadno ugrađene dijelove
Disk kočioni
- Proizvođač:ZIMMERMANN
- Broj rupa naplatka:4
- Ispitni znak:KBA 60872
- Visina [mm]:44
- Vrsta kočnih diskova:Unutarnja ventilacija, Perforirano
- Proizvođač:ZIMMERMANN
- Broj rupa naplatka:4
- Ispitni znak:KBA 60872
- Visina [mm]:44
- Vrsta kočnih diskova:Unutarnja ventilacija, Perforirano
- Debljina kočnog diska [mm]:22
- Obrada:visoko karboniziran
- Vanjski promjer [mm]:280
- Promjer centriranja [mm]:64
- Ø kruga rupe [mm]:100
- Površina:prevučen
- Aksijalni ležaj radilice
- Bregasta osovina
- Brtva glave motora
- Brtvene mase
- Potpuni komplet brtvi motora
- Brtva ispušne grane
- Brtva kartera
- Brtva kućišta radilice
- Brtva poklopca razvoda
- Brtva poklopca ventila
- Brtve usisne grane
- Crijevo turbine
- EGR/AGR
- Glavni ležaj radilice
- Hidropodizač
- Hladnjak EGR-a
- Ispušna grana
- Ispušni sustav i pribor
- Kanalni remen
- Karike
- Karter ulja
- Klackalica
- Klinasti remen
- Klip
- Klizač
- Komplet kanalnog remena
- Komplet razvoda lanca
- Komplet zupčastog remena
- Kućište filtera za gorivo
- Kućište filtera za ulje
- Kućište filtera za zrak
- Lanac pumpe ulja
- Lanac razvoda
- Leteći ležaj na radilici
- Natezač kanalnog remena
- Natezač lanca pumpe ulja
- Natezač lanca razvoda
- Natezač zupčastog remena
- Nosač motora
- Poklopac glave motora
- Pumpa sekundarnog zraka
- Pumpa vode
- Pumpa za ulje
- Radilica
- Razvodni ventil bregastog vratila
- Remenica alternatora
- Remenica na radilici
- Remenica radilice zupčastog remena
- Usisna grana
- Usmjeravajući - vodeći ležaj kanalnog remena
- Usmjeravajući - vodeći ležaj zupčastog remena
- Vakuum pumpa
- Ventili ispuha
- Ventili usisa
- Vijci za pričvršćivanje glave cilindra
- Vodilice ventila
- Zamašnjak
- Zaštitni poklopac zupčastog remena
- Zupčasti remen
- Regulator tlaka goriva
- Vakuumski ventil sekundarnog zraka
- Ventil u sustavu napajanja gorivom
- Regulator faze bregastog vratila
- Servis automatske getribe
- Konverter (automatski mjenjač)
- Čep kartera
- Čep za ulijevanje ulja
- Glava motora
- Vod za ulje turbine
- Odzračivanje na poklopcu glave motora
- Šipka za mjerenje razine ulja
- Hidraulično crijevo upravljačkog sustava
- Crijevo povrata goriva
- Usisno crijevo
- Turbine
- Rasvjeta
- Retrovizori
- Maske
- Kvake
- Poklopci motora
- Brava vrata
- Podizači stakla
- Plinske opruge
- Sajle
- Spremnik goriva
- Odzračni ventil u spremniku goriva
- Kuke
- Antene
- Trube
- Ratkape
- Čelične felge - popis asortimana
- Aluminijske felge
- Gume
- Vijci za kotače
- Ostali dijelovi karoserije
- Obloge papučice gasa
- Obloge papučice kočnice
- Obloge papučice spojke
- Kočione čeljusti
- Disk kočioni
- Disk pločice
- Pribor za disk kočnice
- Set za reparaciju kočione čeljusti
- ABS prsten, ABS senzor
- Bubnjevi
- Kočione obloge (pakne)
- Stražnji kočioni cilindar
- Pribor za kočione obloge (pakne)
- Komplet (pakne + cilindar)
- Glavni kočioni cilindar
- Pojačivač/regulator kočnice
- Kočiona tekućina
- Kočiona crijeva i cijevi
- Vakuum pumpa
- Senzor istrošenosti disk pločica
- Zaštitni lim
- Sajla ručne kočnice
- Ekspanzijska posuda kočione tekućine
- Kompresor
- Kondenzator/ hladnjak klime
- Isparivač
- Isušivač zraka
- Ventili
- Elektromagnetna spojka
- Prekidač
- Osjetnici
- Hladnjak motora
- Pumpa vode
- Termostat
- Termoprekidač
- Crijeva vode i prirubnice
- Ventilator hladnjaka
- Spojka ventilatora
- Grijač kabine
- Ventil rashladne tekućine
- Hladnjak ulja
- Hladnjak zraka - intercooler
- Ekspanzijska posuda
- Električna pumpa vode
- Ventilator unutrašnjeg prostora
- Otpornik - rezistor
- Čep hladnjaka
- ABS senzor
- Centralni magnet bregastog vratila
- Crijevo turbine
- Dijelovi visokotlačnog ubrizgavanja
- EGR/AGR
- Klapne gasa
- Knock senzor
- Lambda senzor
- Mjerač protoka mase zraka
- Motorić ler gasa
- Pretvarači pritiska
- Pumpa goriva
- Sapnica/injektor
- Senzor nivoa rashladne tekućine
- Senzor položaja klapne gasa
- Senzor položaja motora
- Senzor razine goriva - plovak
- Senzor temperature (ulje, gorivo, ras. tek.)
- Senzor temperature ispušnih plinova
- Senzor temperature usisa
- Senzor tlaka ispušnih plinova
- Senzor tlaka u gumama
- Senzor tlaka ulja
- Senzor tlaka usisa
- Turbina
- Pribor za turbinu
- Ventil regulacije CR
- Visokotlačna pumpa
- Senzor razine motornog ulja
- Uložak kontakt brave
- Amortizeri
- Opruga
- Zračni ovjes
- Ležaj amortizera
- Zaštitna guma amortizera
- Vilica/rame
- Kugla vilice/ramena
- Selen/prigušni blok
- Stabilizator spona
- Balans štanga
- Krajnik
- Spona krajnika
- Međuspona upravljanja
- Manžeta letve volana
- Letva volana
- Servo pumpa upravljača
- Stup upravljača
- Korekcija bočnog nagiba kotača
- Tlačni spremnik pneumatskog ovjesa
- Akumulatori (prema vozilu)
- Akumulatori (lista)
- Balast xenon žarulje
- Diodni most
- Bobine
- Brava vrata
- Električna pumpa vode
- Generator/Alternator
- Grijači
- Kablovi za svjećice
- Lambda senzor
- Magnetni prekidač - automat
- Mjerač protoka mase zraka
- Otpornik - rezistor
- Parking senzor
- Prekidač spojke
- Prekidač sva 4 žmigavca
- Prekidač svjetla za vožnju unatrag
- Prekidač na stupu upravljača
- Prekidači i sklopke
- Prekidači stop svjetla
- Regulator generatora/regler
- Releji
- Senzor položaja motora
- Senzor tlaka ispušnih plinova
- Senzor tlaka usisa
- Senzor razine goriva - plovak
- Starter/Anlaser
- Svjećice
- Ventil za preusmjeravanje zraka u kabini
- Žarulje glavne
- Žarulje pomoćne
- Žarulje (lista)
- Garniture žarulja
- Žarulje za dugo svjetlo
- Žarulje za kratko svjetlo
- Žarulje za maglenke
- Xenon i led žarulje
- Grla žarulja - univerzalna
